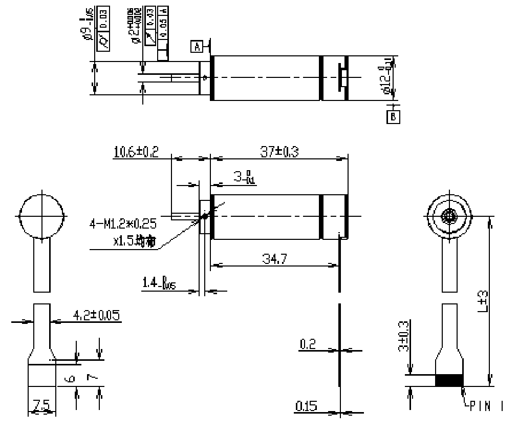
Φ12mm无刷空心杯电机(MC1237)
产品型号:MC1237
直径(mm):12
长度(mm):37
额定电压(V):24
额定转速(rpm):19000
堵转转矩(mNm):19
堵转电流(A) :2.3
转矩常数(mNm/A):8.7
速度常数(rpm/V) :1099
输出轴直径(mm):2
电机参数
| 电机数据(额定值) | |||
| 额定电压(V) | 24 | ||
| 空载转速(rpm) | 24000 | ||
| 空载电流(A) | 70 | ||
| 额定转速 (rpm) | 19000 | ||
| 额定转矩(mNm) | 5 | ||
| 额定电流(A) | 0.65 | ||
| 堵转转矩(mNm) | 19 | ||
| 堵转电流(A) | 2.3 | ||
| 最大效率(%) | 68 | ||
| 电机常数(额定值) | |||
| 相间电阻(Ω) | 10.2 | ||
| 相间电感(mH) | 0.179 | ||
| 转矩常数(mNm/A) | 8.7 | ||
| 速度常数(rpm/V) | 1099 | ||
| 转速/转矩斜度( rpm/mNm) | 1338 | ||
| 机械时间常数(ms) | 2.94 | ||
| 转子惯量(gcm2) | 0.239 | ||
| 热参数 | |||
| 机壳-环境热阻(K/W) | / | ||
| 绕组-机壳热阻(K/W) | / | ||
| 绕组热时间常数(s) | / | ||
| 电机热时间常数(s) | / | ||
| 环境温度(℃) | ?? -20…+100 | ||
| 最高绕组温度(℃) | 125 | ||
| 机械参数(滚珠轴承) | |||
| 最大允许转速(rpm) | 40 000 | ||
| 最大轴向间隙(mm) | < 0.15 N? 0 | ||
| ?> 0.15 N? 0.06(max) | |||
| 径向间隙 | ?preloaded | ||
| 最大轴向动态载荷(N) | 2 | ||
| 最大允许安静态装力(N) | 10 | ||
| 最大径向载荷,距离法兰处2mm处(N) | 5 | ||
| 端子型号 | |||
| Molex 52745-1297 |
设计图纸

















查看详情

Φ12mm无刷空心杯电机(MC1237)规格书
